根据数据中心用电可靠性要求高、配电系统复杂、用电规模大且密度高等特点,本项目为某移动数据中心旧配电房改造。项目主要为在0.4kV部分增设低压备自投装置实现主电源故障时切换至备用电源以保证电力供应的连续性,同时在配电房内增加电力监控系统实现对整个配电房的配电线路的监视、测量、控制和保护。
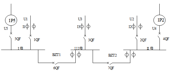
该项目的0.4kV供电系统主要由三路站用变进线、两路母联及两路柴发进线组成,如图所示。
三路站用变均为10/0.4kV,且来源于同一10kV母线。其中进线1、进线2为主用进线,进线3作为两路进线其中之一的热备用(当两路主用进线均失电时,只给I段母线供电),III段母线不带负载;两路柴发进线作为站用变进线的备用。本项目采用两台低压备自投装置AM5-DB采集三路站用变进线电压电流、两路柴发电压及各断路器位置状态,并集成了7个断路器的分合闸控制信号及两个柴油发电机的启动信号实现对该低压系统的备自投投切的控制。本项目两台AM5-DB低压备自投保护装置安装在该配电房改造新增设的备自投壁挂箱体中。
为实时监视整个配电室的运行以及数据采集,该项目配置一套Acrel-2000电力监控系统,通过ANet-2E4S智能网关将现场设备:10kV部分原有的微机保护装置、本次0.4kV部分改造新增的备自投装置及0.4kV的多功能电力仪表等数据传输到后台电力监控系统,实现对本配电房设备的数据采集、监视和控制功能。
1)实时监测
配电房整体实时监测主界面
2)电参量查询

实时数据监测
3)网络拓扑图及通讯管理

站内设备系统网络拓扑图
本项目Acrel-2000电力监控系统支持0.4kV备自投控制状态显示,主要展示三进线一联络两柴发的备自投切换过程,备供进线作为两路进线其中之一的热备用,当三路市电进线均失电时,两路柴发进线作为站用变进线的备用。

882

被折叠的 条评论
为什么被折叠?



