安科瑞电气顾强
摘要:近年来新能源装机容量迅速增加,随着大规模分布式光伏和储能装机并网,10kV及以下配电网也经历着越来越严峻的考验。分布式光伏、工商业储能和电动汽车充电桩构成的新型电力系统正在不断冲击传统配电网的运行方式。为了促进新型电力系统下城镇和农村配电网络的健康可靠运行,2025年6月1日实施的GB/T 45418-2025《配电网通用技术导则》(以下简称导则)为新型配电网建设提供了标准规范。
1 新型配电网对新能源建设的要求
10kV配电网属于负荷侧,主要用于为工商业用户和大型公共设施供电。导则规定了10kV及以下交流配电网在规划、网架结构与设备、建设与改造、运维检修、新能源接入、二次系统等方面的技术要求,适用于城镇、农村等地区配电网规划、建设、改造和运维。此外,导则对配电网适应新型电力系统做了要求,核心目的保障配电网可靠供电、提升清洁能源接纳能力、适应多元负荷需求,推动配电网智能化、绿色化发展。
导则对分布式电源并网要求:“9.3.2 分布式电源并网功率控制、电压和频率的适应性、防孤岛保护等应符合 GB/T33593的规定,通过三相接入配电网的分布式电源应具备功率控制和高、低电压穿越能力。电化学储能装置接入配电网应符合 GB/T36547的规定。”
对新能源消纳的要求:“9.3.4 分布式电源应就近接入配电网。当配电网承载力不足时,宜采取必要的适应性改造措施,提高分布式电源就地消纳能力。”
对电动汽车充换电设施的要求:“9.4.6 电动汽车充电设施宜具备有序充电功能,充换电设施宜具备双向交换电能、车网互动等支持配电网功率调节的功能。”
对二次系统的要求:“10.1.5 配电网二次系统建设应满足分布式电源、储能装置以及电动汽车充换电设施等接入和协调控制需求。

图1 GB/T 45418-2025《配电网通用技术导则》2025年6月1日实施
2 安科瑞新能源配套软硬件一体化方案
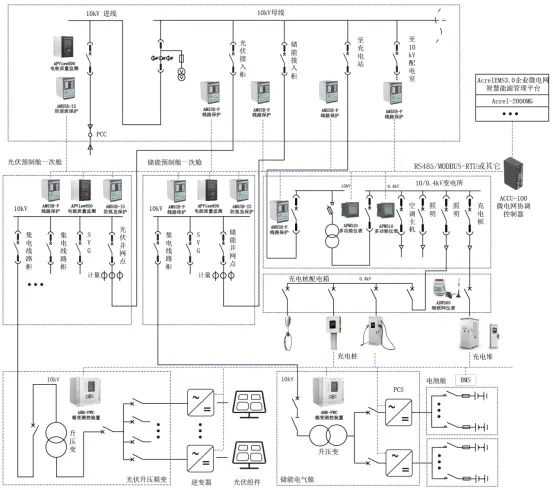
安科瑞为新能源工程包括分布式光伏、储能、充电站提供软硬件一体化解决方案,图2为一个包含分布式光伏、储能、汽车充电站和传统用电负荷组成的新型10kV配电网,由10kV开闭所、10kV并网分布式光伏系统、10kV并网储能系统、电动汽车充电站以及其它负荷组成。安科瑞提供的解决方案包括:
● 10kV分布式光伏和储能系统防孤岛保护、电能质量监测、防逆流控制以及新能源并网的数据安全和调度对接;
● 交直流充电桩以及有序充电解决方案;
● 10kV配电网继电保护、箱变测控、故障诊断以及电气监控;
● 通过“云-边-端”协同为新能源站点提供新能源消纳、防逆流控制等多种能源使用策略;
● 提供1+N运维管理方案:1套云平台,N个新能源场站运维管理。

图2 包含分布式光伏、储能、充电桩的10kV配电系统
2.1 分布式光伏解决方案
10kV线路接入的光伏电站容量范围通常在400kW~6MW,安科瑞Acrel-1000DP分布式光伏发电监控系统,可兼容国产麒麟操作系统,采集现场逆变器、箱变测控装置、防孤岛保护、防逆流控制装置、计量仪表、电能质量在线监测装置、直流屏等设备数据,本地实时显示和报警,提供远程遥控操作和调节,并具备光功率预测、有功/无功功率控制、频率电压紧急控制等功能,此外,系统配置网络安全监测、横向隔离、纵向加密认证装置以满足电网数据安全要求,数据上传调度系统以满足并网要求,为用户提供分布式光伏监控和并网方案,保障光伏电站运行稳定可靠性。

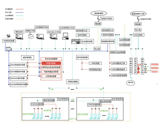
图3 分布式光伏电站综合自动化系统结构
光伏监控系统需要使用相关保护、测控、稳控、分析及数据安全和通讯设备,典型的分布式光伏电站并网系统需要用到的二次设备如下表所示。
2.2 储能系统解决方案
根据GB/T 36547《电化学储能系统接入电网技术规定》要求,10kV并网的储能系统容量在500kW~5MW范围内,储能系统的微机保护配置要求:储能电站并网点配置AM5-IS防孤岛保护,非计划孤岛时应在2s动作,将储能电站与电网断开。
储能系统应具备直流绝缘监测功能,如果BMS或者PCS不具备绝缘监测功能需单独配置直流绝缘监测装置。
通过10kV接入公用电网的储能系统电能质量宜满足GB/T19862要求的电能质量监测装置,并网点配置A类电能质量在线监测装置。
Acrel-2000MG微电网能量管理系统具有完善的电池管理功能和丰富的外部通信接口,可实现对储能系统、充电系统、光伏系统等智能设备的运行信息实时监控,包括对储能系统内电压、电流、温度、压力、流量等信息采集、实时监视、优化管理、智能维护及信息查询功能。具备新能源消纳、峰谷套利、防逆流、需量控制、柔性扩容、限电模式等多种控制策略,保障储能系统安全稳定、智能高效运行。
2.3 有序充电解决方案
安科瑞APSMS充电运营管理平台是基于物联网和大数据技术的有序充电管理系统,可以实现对企业变压器负荷率、负荷需求结合充电桩的监控、调度和管理,通过能源策略控制和峰谷价格引导机制实现有序充电,提高充电桩的利用率和充电效率。
3 AcrelEMS3.0智慧能源管理平台
AcrelEMS3.0智慧能源管理平台采用B/S架构,满足分布式电源、储能装置以及电动汽车充换电设施等接入和协调控制需求。平台采用“1+N”设计,可以接入数量众多的新能源场站数据,将分布式电源、储能系统、可控负荷、电动汽车充电桩聚合在一起,结合发电预测、负荷预测、电价波动、电网调度指令等情况,灵活调整微电网控制策略并下发给储能、可调负荷等系统,采用“云-边-端”协同策略控制,保障配电网稳定、高效运行。

图4 AcrelEMS3.0智慧能源管理平台云边端策略协同
终端设备控制策略是现场设备在并网、离网状态下的运行策略,包括有功功率/无功功率控制、电压/频率控制、最大功率追踪、虚拟同步发电机惯量控制等多种策略,由储能变流器、光伏逆变器、充电桩等设备提供;
边端协调控制策略是本地ACCU-100协调控制器或Acrel-2000MG能量管理系统执行的能源策略,包括新能源消纳、防逆流控制、峰谷套利、柔性扩容、需量控制、限电模式等等,这些策略可以在本地执行;
云端优化控制策略是AcrelEMS3.0平台基于发电预测、负荷预测、电价波动以及虚拟电厂平台的调度指令而做出的策略优化,这些策略下发给本地协调控制器或能量管理系统来执行。
AcrelEMS3.0智慧能源管理平台主要包含以下功能:

图5 AcrelEMS3.0智慧能源管理平台功能界面
● 综合监控:实现配电网配电室、光伏系统、储能系统、负荷、充电桩、环境数据的采集、监测、可视化展示、异常告警、事件查询、报表统计等功能;
● 智能控制:协同光伏、储能、负载等多种能源主体,动态规划智能策略,实现储能、光伏协调控制,比如计划曲线、削峰填谷、防逆流、新能源消纳、需量控制等;
● 能源分析:具备微电网能耗及效益分析、微电网经济运行分析、多维度电量分析,并进行日、月、年能源报表统计;
● 功率预测:以历史光伏输出功率和历史数值天气数据为基础,结合数值天气预报数据和光伏发电单元的地理位置,采用深度学习算法建立预测模型库,实现光伏发电的短时和超短时功率预测,并经进行误差分析;同时对微电网内所有负荷,基于历史负荷数据,通过大数据分析算法,预测负荷功率曲线。
● 优化调度:根据分布式能源发电预测、负荷预测结果,并结合分时电价、电网交互功率及储能约束条件等因素,以用电成本最低或碳排放最低为目标,建立优化模型,采用深度学习算法解析微电网运行功率计划,系统通过将功率计划进行分解,实现对光伏、储能、充电桩的优化控制。
1186

被折叠的 条评论
为什么被折叠?



