一、微项目实现目标:
DMA数据传输,实现DMA在外设和存储器或者存储器和存储器之间的高速数据传输;
二、微项目硬件配置需求:
stm32F103C8T6核心板一块

三、前置知识:
1,存储器映像区间

①申请的变量,uint 32 A; int a[10];存放在SRAM中,起始地址为0x2000000
②申请的const ,const uint 32 A;存放在flash中,其实的地址为0x0800000
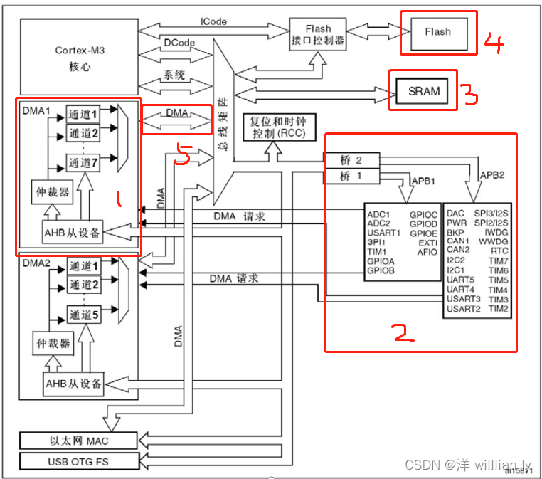
2,DMA运行框图

图中1:DMA的核心模块,负责DMA接受、传输、转运来自外设和存储器的数据
图中2:外设部分,除去以太网部分、USB部分之外的外设,全部挂载在这边。具体操作的是外设寄存器的部分,可以读取转运到存储器中,也可以将存储器的数据通过DMA转运到这边;
图中3:运行内存SRAM,运行中数据,及定义的变量数据;
图中4:Flash内存,存放代码和const定义的常量
图中5:DMA转运通道
3,DMA控制框图
①外设端需要配置:数据传输的起始地址、单次传输的数据宽度、地址是否自增
②存储器端需要配置:数据传输的起始地址、单次传输的数据宽度、地址是否自增
③传输方向:即数据传递的源头和目的地进行区分
④传输计数器:一轮传输,传输几个数据宽度的数据,计数器会依次递减到0
⑤自动重装器:数据传输是否重复传递。ps:在寄存器到寄存器的传输,不可以enable这个寄存器

4,DMA触发模式:
①外部硬件触发,需要外设端给入对应硬件信号;
需要注意的是,硬件触发对于DMA的通道开启有要求,即对应的模块,需要开启对应的DMA通道,才能正常硬件触发启动;

②软件 触发,给入指令开启DMA传递。
ps:此触发模式下,不对通道产生要求,任何通道都能执行传输;
5,开关控制:
DMA使能标志位。
ps:DMA使能标志位,不表示DMA就可开始运行;
6,DMA传输需要有三个条件:
①传输计数器的值不为0;
②外部触发源存在;ps:在存储器到存储器模式下,触发源一直存在
③DMA使能信号有效
四、代码逻辑分析:
①开启DMA时钟
②DMA模块初始化
③开启DMA使能
五、代码示例:
①开启DMA时钟
//开启DMA时钟,在AHB上
RCC_AHBPeriphClockCmd(RCC_AHBPeriph_DMA1,ENABLE);
②DMA模块初始化
需要注意的是:
1-在存储器到存储器模式下,不可循环传输;
2-配置计数器时刻,一定要disable DMA模块
//DMA初始化
DMA_InitTypeDef DMA_InitStruct;
DMA_InitStruct.DMA_PeripheralBaseAddr=baseaddr;//外设地址
DMA_InitStruct.DMA_PeripheralDataSize=DMA_PeripheralDataSize_Byte;//单次传输大小
DMA_InitStruct.DMA_PeripheralInc=DMA_PeripheralInc_Enable;//是否递增模式
DMA_InitStruct.DMA_MemoryBaseAddr=targetaddr;//存储器地址
DMA_InitStruct.DMA_MemoryDataSize=DMA_MemoryDataSize_Byte;//单次传输大小
DMA_InitStruct.DMA_MemoryInc=DMA_MemoryInc_Enable;//是否递增模式
DMA_InitStruct.DMA_BufferSize=size;//传输计数器的值
DMA_InitStruct.DMA_DIR=DMA_DIR_PeripheralSRC ;//方向
DMA_InitStruct.DMA_M2M=DMA_M2M_Enable;//存储器到存储器、存储器到外设
DMA_InitStruct.DMA_Mode=DMA_Mode_Normal ;
//是否循环传输;在存储器到存储器模式下,不可循环传输
DMA_InitStruct.DMA_Priority=DMA_Priority_Medium ;
DMA_Init( DMA1_Channel1, &DMA_InitStruct);
③开启DMA使能
DMA_Cmd(DMA1_Channel1,DISABLE);
④开启配置循环传递参数
void myDMAtransfer(void)
{
//配置计数器前,必须要先失能
DMA_Cmd(DMA1_Channel1,DISABLE);
DMA_SetCurrDataCounter(DMA1_Channel1, mysize);
//使能
DMA_Cmd(DMA1_Channel1, ENABLE);
//等待传输完成标志位
while(DMA_GetFlagStatus(DMA1_FLAG_HT1)==RESET);
//手动清空标志位
DMA_ClearFlag(DMA1_FLAG_HT1);
}
⑤主函数中配置,传递数据
#include "stm32f10x.h" // Device header
#include "delay.h"
#include "OLED.H"
#include "MYDMA.H"
uint8_t dataA[]={0X01,0X02,0X03,0X04};
uint8_t dataB[]={0,0,0,0};
int main()
{
OLED_Init();
myDMAinit((uint32_t) dataA, (uint32_t) dataB, 4);
OLED_ShowString(1,1,"dataA");
OLED_ShowString(3,1,"dataB");
OLED_ShowHexNum(1,8,(uint32_t)dataA,8);
OLED_ShowHexNum(3,8,(uint32_t)dataB,8);
OLED_ShowHexNum(2,1,dataA[0],2);
OLED_ShowHexNum(2,4,dataA[1],2);
OLED_ShowHexNum(2,7,dataA[2],2);
OLED_ShowHexNum(2,10,dataA[3],2);
OLED_ShowHexNum(4,1,dataB[0],2);
OLED_ShowHexNum(4,4,dataB[1],2);
OLED_ShowHexNum(4,7,dataB[2],2);
OLED_ShowHexNum(4,10,dataB[3],2);
while(1)
{
dataA[0]++;
dataA[1]++;
dataA[2]++;
dataA[3]++;
OLED_ShowHexNum(2,1,dataA[0],2);
OLED_ShowHexNum(2,4,dataA[1],2);
OLED_ShowHexNum(2,7,dataA[2],2);
OLED_ShowHexNum(2,10,dataA[3],2);
OLED_ShowHexNum(4,1,dataB[0],2);
OLED_ShowHexNum(4,4,dataB[1],2);
OLED_ShowHexNum(4,7,dataB[2],2);
OLED_ShowHexNum(4,10,dataB[3],2);
Delay_ms(1000);
myDMAtransfer();
OLED_ShowHexNum(2,1,dataA[0],2);
OLED_ShowHexNum(2,4,dataA[1],2);
OLED_ShowHexNum(2,7,dataA[2],2);
OLED_ShowHexNum(2,10,dataA[3],2);
OLED_ShowHexNum(4,1,dataB[0],2);
OLED_ShowHexNum(4,4,dataB[1],2);
OLED_ShowHexNum(4,7,dataB[2],2);
OLED_ShowHexNum(4,10,dataB[3],2);
Delay_ms(1000);
}
}
文章详细介绍了如何在STM32F103C8T6微控制器上利用DMA实现外设与存储器之间的高速数据传输。内容涵盖DMA的硬件配置需求、前置知识如存储器映像、DMA控制框图、触发模式以及代码逻辑分析,提供了开启DMA时钟、初始化DMA模块和开启DMA使能等关键步骤的代码示例。
1366

被折叠的 条评论
为什么被折叠?



