该用户侧储能项目分为两期,共建设两套3.5MW/7MWh储能系统,其中第一套储能系统接入用户专线一,第二套储能系统接入用户专线二。以一期为例,新建储能站包括10kv计量柜、PT柜、开关柜、出线柜等,装机容量为3.5MW/7MWh,一次设备共有1台3450kW干式升压变,2台1725kW储能变流器,2座3.58MWh储能电池舱,1台200kVA站用变,逆变交流电压由690V升压至10KV接入用户10kv母线,二期建设同一期。另外储能站信息通过中国电信虚拟专用网络方式(VPN)接入新一代系统安全接入区,经无线上传宁波调度中心,同时将数据上传给总包方云平台。



技术方案
本项目系统配置了Acrel-2000电力监控系统,实现对用户侧储能电站的集中管理,包括设备的状态监测、故障报警、运行参数设置等。
二次设备配置方案为:在每回专线的进线隔离柜上配置故障解列装置1套、防孤岛装置1套;进线开柜上配置线路三段式过流保护装置1套;储能出线开关柜上配置升压变过流保护装量1套;母设柜上配置测控装置1套;站用变高压侧配置站用变过流保护装置1套;两回进线配置电能质量监测装置1套,并与公用测控及通信管理机共组1面屏。
二次电气设备
1)线路保护装置
线路保护装置主要功能是确保电气设备的安全运行。装置实时监测电流、电压等电气参数,一旦检测到异常,如过载、短路或接地故障,线路保护装置会迅速切断电源,从而防止设备损坏和火灾风险。
2)防孤岛装置
在电网失电的情况下,分布式电源未能够及时与电网断开连接,会形成孤岛状态,这种状态可能造成分布式电源不可控、电网恢复时的电压和频率不匹配等问题。防孤岛装置通过实时监测电网状态,一旦检测到电网断电,能够在规定的时间内迅速切断分布式电源与电网的连接,同时,防孤岛装置还具有多种保护功能,如高频、低频、过电压、低电压保护等,能全面保障电力系统的稳定运行。
3)故障解列装置
装置能够监测电网的实时状态,一旦检测到异常或故障信号,如短路、过载等,它会立即启动,将故障储能单元或设备与电网断开。既能防止故障设备对电网造成进一步损害,也确保其他正常运行的储能单元继续供电,保障用户的电力需求。
电能质量在线监测装置
电能质量在线监测装置能够实时监测储能站接入电网后的电能质量,包括电压偏差、频率偏差、谐波含量、三相不平衡度等关键指标。通过高精度的测量与分析,它能够及时发现电能质量问题,如电压波动、谐波污染等,为运维人员提供及时的告警信息,此外,电能质量在线监测装置的数据记录功能还可为后续的故障排查和电能质量治理提供有力支持。
调度自动化设备
1)纵向加密装置
纵向加密装置采用先进的加密技术来确保信息在传输过程中的机密性和完整性。装置具备高度的灵活性和安全性,可以根据不同需求定制加密算法和密钥管理机制,有效应对各种安全风险。
2)远动网关
远动网关位于变电站的站控层,集成了变电站与主站系统之间的通信功能,能够实现变电站远动数据的直采直送,提供数据、模型和图形的采集、存储、处理和传输服务。此外,远动网关采用了先进的安全技术,如网络隔离、数字证书、防火墙和数据加密等,确保通信的机密性、完整性和可靠性,是保障电网安全稳定运行的重要设备之一。
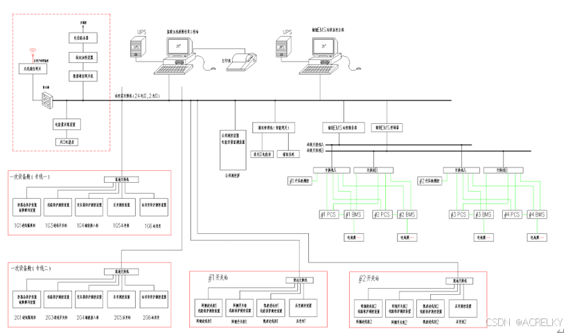
系统结构
本项目系统结构采用分层分布式架构,旨在高效、稳定地满足现代工业自动化的需求,为企业提供强有力的技术支持。系统主要分为三个核心部分:站控层、通信层和设备层。
站控层负责集中监控系统的运行状态,并允许操作员实时获取系统信息,进行深度的数据分析和处理。
通信层是系统内部信息传递与数据交换的桥梁,支持多样化的网络拓扑结构,并能根据实际应用场景的需求和规模进行灵活配置,确保所有设备和系统组件能够无缝连接、协同作业。
设备层作为系统的基础执行单元,包含了各种关键的硬件设备。这些设备不仅负责实时采集现场数据,还能根据来自上级(站控层)的指令执行精确的控制操作,是实现自动化生产流程不可或缺的一环。

现场图片

结语
随着全球能源结构的转型,用户侧储能项目在推动可持续发展目标的实现中正扮演着愈发重要的角色。储能系统的主要功能是帮助用户平衡用电负荷,同时有效降低用户电费支出,在电价波动较大的市场环境中为用户带来显著的经济利益。此外,用户侧储能还可以根据负荷预测和可再生能源发电情况,动态调整储能设备的工作状态,增强整体电力系统的灵活性和稳定性。在新建用户侧储能电站中,引入电力监控系统不仅提升了系统的管理水平,也为可再生能源的高效利用奠定了坚实基础。监控系统可以及时识别潜在的故障风险,并通过预警机制采取相应的防范措施,此外,还可以优化储能电站的运行策略,提高能量利用效率。
参考文献
[1] 刘海峰,尹小明,顾晔,等.一种用户侧储能并网可行性测算方法:CN202210980444.0[P].CN115689324A [2024-10-23].
[2] 高立兵.用户侧储能应用场景的研究[C]//第十一届中国风电后市场交流合作大会论文集.2024.
[3] 陈晓雷,曲钰,高志坚,等.低碳理念下用户侧储能多目标优化策略探究[J].自动化与仪器仪表, 2023(11):141-144.
用户侧储能项目系统方案及优势
1万+

被折叠的 条评论
为什么被折叠?



